
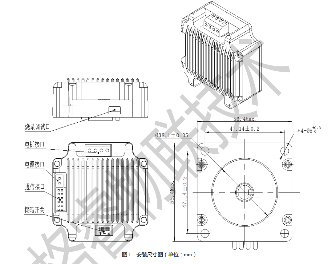
一体式485总线型开环步进驱动器是最新推出的带串口调试功能的数字式混合步进伺服驱动器,集成了MODBUS-RTU标准协议规范,供电接口采用XH2.54-2P针座,IO输入输出口以及通讯接口采用PHB2.0-2×6P针座,用户可通过上位机调试软件设置细分、电流、速度、工作模式等多种参数,极大地丰富了产品的实用功能,能够满足大多数场合的应用需要。 一体式485总线型开环步进驱动器采用类伺服的控制原理,兼容了开环步进和伺服系统的双重优点,采用最新32位DSP控制技术,极大地提升了步进系统的性能。中低速都具有极佳的平稳性和超低噪声,高速力矩也得到极大提升,扩展了步进电机的速度应用范围。平滑、精确的纯正弦电流矢量控制技术有效的减小了电机发热,且其兼容性强、性价比高,能够满足绝大多数场合的应用。
| 分类别 | 型号 | 电流(A) | 电压(V) | 机座 | 总机身长 (含驱动器) |
轴径 | 轴长 |
| 485总线开环集成式一体机 | IRS28M-32 | 1.4~2.1 | DC(12~40) | 28 | 48 | 5 | 20 |
| IRS28M-42 | 1.4~2.1 | DC(12~40) | 28 | 58 | 5 | 20 | |
| IRS28M-52 | 1.4~2.1 | DC(12~40) | 28 | 68 | 5 | 20 | |
| IRS35M-36 | 1.4~2.1 | DC(12~40) | 35 | 56 | 5 | 24 | |
| IRS35M-56 | 1.4~2.1 | DC(12~40) | 35 | 76 | 5 | 24 | |
| IRS42M-40 | 1.4~2.1 | DC(12~40) | 42 | 62 | 5 | 24 | |
| IRS42M-48 | 1.4~2.1 | DC(12~40) | 42 | 70 | 5 | 24 | |
| IRS42M-60 | 1.4~2.1 | DC(12~40) | 42 | 82 | 5 | 24 | |
| IRS57M-56 | 1.4~5.3 | DC(24~48) | 57 | 74 | 8 | 21 | |
| IRS57M-80 | 1.4~5.3 | DC(24~48) | 57 | 98 | 8 | 21 | |
| IRS60M-68 | 1.4~5.3 | DC(24~48) | 60 | 86 | 8 | 21 | |
| IRS60M-86 | 1.4~5.3 | DC(24~48) | 60 | 104 | 8 | 21 |

There are currently no relevant documents available