
Two phase hybrid stepper motor is a type of hybrid motorThe two-phase hybrid stepper motor consists of a stator and a rotor. The common stator has 8 or 4 poles, with a certain number of small teeth evenly distributed on the pole surface; The coil on the pole can be energized in two directions. Its rotor is also composed of two pieces of teeth with a certain number of small teeth evenly distributed on the circumference. These two teeth are offset by half a tooth pitch from each other. There is an axially magnetized annular permanent magnet sandwiched between two teeth. Obviously, all teeth on the same rotor blade have the same polarity, while the polarity of two different rotor blades is opposite.
Open loop stepper motor product series models and parameters:
42 machine base with 3 meters
| Product Model | motor length (mm) | Motor shaft diameter (mm) | rated current (A) | holding torque (N.m) | rotor inertia (g.cm²) | Speed fbk sel | Match driver |
| GR42HB48-3M | forty-eight | five | two | zero point six | sixty | one thousand | DM422 |
| GR42HB60-3M | sixty | five | two | zero point eight | eighty-six | one thousand | DM542 |
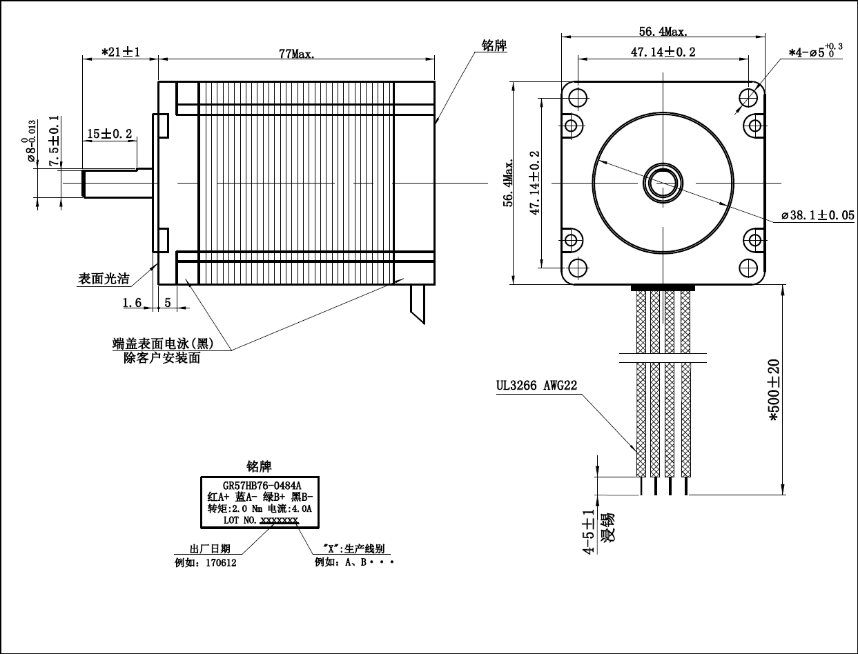
57 machine base with 3 meters
| Product Model | motor length (mm) | Motor shaft diameter (mm) | rated current (A) | holding torque (N.m) | rotor inertia (g.cm²) | Speed fbk sel | Match driver |
| GR57HB56-3M | fifty-six | eight | four | one point three | two hundred and eighty | one thousand | DM542 |
| GR57HB80-3M | eighty | eight | five | two point four | three hundred and fifty | one thousand | DM542 |
| GR57HB86-3M | eighty-six | eight | five | three | three hundred and eighty | one thousand | DM556 |
60 machine base
| Product Model | motor length (mm) | Motor shaft diameter (mm) | rated current (A) | holding torque (N.m) | rotor inertia (g.cm²) | Speed fbk sel | Match driver |
| GR60HB86-3M | eighty-six | eight | five | three | four hundred and twenty | one thousand | DM556 |
| GR60HB86-30-3M | eighty-six | eight | five | three | four hundred and twenty | one thousand | DM556 |
86 machine base
| Product Model | motor length (mm) | Motor shaft diameter (mm) | rated current (A) | holding torque (N.m) | rotor inertia (g.cm²) | Speed fbk sel | Match driver |
| GR86HB80-3M | eighty | fourteen | six | four point five | one thousand and eight hundred | one thousand | DM556 |
| GR86HB118-3M | one hundred and eighteen | fourteen | six | eight point five | two thousand and seven hundred | one thousand | DM556 |
| GR86HB156-3M | one hundred and fifty-six | fourteen | six | twelve | four thousand | one thousand | DM860H-KT |




