
产品概述
HS86是格睿物联技术有限公司最新推出的带串口调试功能的数字式混合步进伺服驱动器,采用最新32位DSP控制技术,集成了MODBUS-RTU标准协议规范,用户可通过上位机调试软件设置200-40000内的任意细分以及工作模式等多个参数,极大地丰富了产品的实用功能,能够满足大多数场合的应用需要。
HS86驱动器采用类伺服的控制原理,兼容了开环步进和伺服系统的双重优点,彻底解决了开环步进丢步的问题,极大地提升了步进系统的性能,同时降低了电机的发热和低速振动。相对于伺服系统,大大降低了调试难度,具有快速启停,停机无振动等优点,且其体积小、成本低、性价比高,能够满足绝大多数场合的应用。
特点
●带串口调试功能 ●外置拨码选择驱动器工作模式
●全新32位DSP技术 ●体积小,便于安装
●光隔离差分信号输入 ●内置微细分
●脉冲响应频率最高可达200KHz(更高可改) ●细分设定范围200-40000
●精密电流控制使电机发热大为降低 ●低振动低噪声
●具有过压、欠压、过流等保护功能
应用领域
适合各种中小型自动化设备和仪器,例如:雕刻机、打标机、切割机、绘图仪、数控机床、自动装配设备等。在用户期望小噪声、高速度的设备应用中应用效果特佳。
1. 电气指标
说明 | HS86 | |||
最小值 | 典型值 | 最大值 | 单位 | |
输入电源电压 | 20 | 60 | 80 | VAC |
控制信号输入电流 | 7 | 10 | 16 | mA |
步进脉冲频率 | 0 | - | 200 | KHz |
绝缘电阻 | 50 |
|
| MΩ |
2. 使用环境及参数
冷却方式 | 自然冷却、风扇散热 | |
使用环境 | 场合 | 不能放在其他发热的设备旁,要避免粉尘、油雾、腐蚀性气体,湿度太大及强振动场所,禁止有可燃气体和导电灰尘 |
温度 | 0——50℃ | |
湿度 | 40—90%RH | |
振动 | 10~55Hz/0.15mm | |
保存温度 | -20℃~65℃ | |

1. 接口描述
1)控制信号接口
名称 | 功能 |
PLS+ | 脉冲控制信号:+5V-+24V均可驱动,上升沿有效,每当脉冲由高变低时,电机走一微步。为了可靠响应脉冲信号,脉冲宽度应大于2μs。 |
PLS- | |
DIR+ | 方向控制信号:+5V-+24V均可驱动,高/低电平信号。为保证电机可靠换向,方向信号应先于脉冲信号至少5μs建立。电机的初始运行方向与电机接线有关,互换任一相绕组(如A+、A-交换)可以改变电机初始运行方向。 |
DIR- | |
ENA+ | 使能控制信号:+5V-+24V均可驱动,高/低电平信号。用于使能或禁止电机的运行。当ENA+接+5V,ENA-接低电平时,驱动器将切断电机各相的电流使电机处于自由状态,此时步进脉冲不被响应。当不需用此功能时,使能信号端悬空即可。另外,ENA端还可用于清除超差报警信号。 |
ENA- |
2)输出信号接口
名称 | 功能 |
PEND+ | 到位信号输出:电机到达控制指令指定的位置,到位信号输出有效; PEND+接上拉电阻到输出电源正极,PEND-接控制器的信号输入端;最大驱动电流50mA。 |
PEND- | |
ALM+ | 报警信号输出:过流、过压、欠压或位置超差报警发生时,报警信号输出有效; ALM+接上拉电阻到输出电源正极,ALM-接控制器的信号输入端;最大驱动电流50mA。 |
ALM- |
3)编码器接口
名称 | 功能 |
PB+ | 编码器B相输入接口,需注意线序。 |
PB- | |
PA+ | 编码器A相输入接口,需注意线序。 |
PA- | |
VCC | 编码器5V供电电源正端。 |
EGND | 编码器5V供电电源负端。 |
▶注意:闭环电机底部标签上注有编码器的接线顺序,需严格按照标签上的接线。
4)强电接口
名称 | 功能 |
AC1 | 交流输入电源,AC20V-80V(DC30V-110V) |
AC2 | |
A+、A- | 电机A相线圈,需注意线序。 |
B+、B- | 电机B相线圈,需注意线序。 |
▶注意:闭环电机底部标签上注有电机的接线顺序,需严格按照标签上的接线。
5)232通讯接口
HS86驱动的串口通讯接口采用PH2.0-7P的端子,可以通过专用串口电缆线经USB转TTL串口转换工具连接至PC机,禁止带电插拔!通过在PC端,客户可以设置所需要的参数,如电流、细分、工作模式等,具体可看上位机软件界面。
端子号 | 符号 | 名称 | 说明 |
1 | NC | - | 内部使用 |
2 | NC | - | 内部使用 |
3 | GND | RS232通讯地 | 0V |
4 | NC | - | 内部使用 |
5 | NC | - | 内部使用 |
6 | TXD | RS232发送端 |
|
7 | RXD | RS232接收端 |
|
▶注意:HS86与PC机连接的电缆必须为专用电缆(视用户情况随机附送)使用前确认,以免发生损坏。
6)状态指示
绿色LED为电源指示灯,当驱动器接通电源时,该LED常亮;当驱动器切断电源时,该LED熄灭。
红色LED为故障指示灯,当出现故障时,该指示灯以3秒为周期循环闪烁;当故障被用户消除时,红色LED常灭。红色LED在3秒内闪烁次数代表不同的故障信息,具体关系如下表所示:
序号 | 闪烁次数 | 红色LED闪烁波形 | 故障说明 |
1 | 1 |
| 过流、相间短路或接触不良故障 |
2 | 2 |
| 过压故障(电压>AC80V/DC110V) |
3 | 3 |
| 欠压故障(电压<AC20V/DC30V) |
4 | 5 |
| 电机开路(缺相) |
▶注意:超差报警时,红色LED常亮,若是由过压或欠压引起的超差报警,则红色LED会不间断的快速频闪。另外,当发生超差报警时,可通过ENA端使能清除超差报警信号。
2. 控制信号接口电路
HS86驱动器控制信号端采用差分式接口电路,可适用差分信号、单端共阴及共阳等接口,内置高速光电耦合器,在环境恶劣的场合,抗干扰能力强。接口电路示意图如图2所示。


图2 输入接口电路
▶注意:HS86为5V-24V通用驱动器,因此信号控制端不需要串电阻!
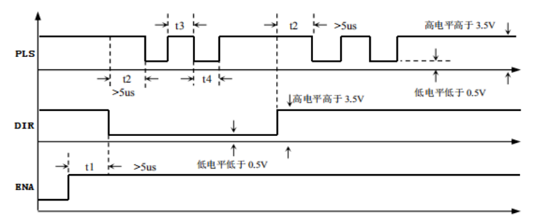
3. 控制信号时序图
为了避免一些误动作和偏差,PLS、DIR和ENA应满足一定要求,如下图所示:

图3 控制信号时序图
注释:
1)t1:ENA(使能信号)应提前DIR至少5ms,确定为高。一般情况下建议ENA+和ENA-悬空即可。
2)t2:DIR至少提前PLS下降沿5μs确定其状态高或低。
3)t3:脉冲宽度至少不小于2.5μs。
4)t4:低电平宽度不小于2.5μs。
4. 控制信号模式设置
脉冲触发沿选择:通过PC机软件可设置脉冲上升沿或下降沿触发有效。
5. 接线要求
1)为了防止驱动器受干扰,建议控制信号采用屏蔽电缆线,并且屏蔽层与地线短接,除特殊要求外,控制信号电缆的屏蔽线单端接地:屏蔽线的上位机一端接地,屏蔽线的驱动器一端悬空。同一机器内只允许在同一点接地,如果不是真实接地线,可能干扰严重,此时屏蔽层不接。
2)脉冲和方向信号线与电机线不允许并排包扎在一起,最好分开至少10cm以上,否则电机噪声容易干扰脉冲方向信号引起电机定位不准,系统不稳定等故障。
3)如果一个电源供多台驱动器,应在电源处采取并联连接,不允许先到一台再到一台链状式连接。
4)严禁带电拔插驱动器强电端子,带电的电机停止时仍有大电流流过线圈,带电拔插端子将导致巨大的瞬间感生电动势烧坏驱动器。
5)严禁将导线头加锡后接入接线端子,否则可能因接触电阻变大而过热损坏端子。
6)接线线头不能裸露在端子外,以防意外短路而损坏驱动器。
四、拨码开关功能设定
HS86驱动器采用10位拨码开关,SW1-SW4用于ALM、PEND输出组态设置、算法选择、最大峰值电流设置、方向选择;SW5-SW8用于细分设置;SW9-SW10用于工作模式选择。详细描述如下:
SW1 | SW2 | SW3 | SW4 | SW5 | SW6 | SW7 | SW8 | SW9 | SW10 |
功能设置 | 细分设置 | 工作模式设置 | |||||||
1. 功能设置
1)ALM、PEND输出组态设置
SW1设置ALM、PEND的输出信号阻态,SW1=off时,为常开状态;SW1=on时,为常闭状态。
2)算法选择
SW2用于选择驱动器的控制算法,SW2=off时,为A算法;SW2=on时,为B算法。
3)最大电流设置
SW3设置驱动器的最大输出电流,SW3=off时,为小电流输出,主要适配57或60闭环电机;SW3=on时,为大电流输出,主要适配86闭环电机。
4)方向选择
SW4设置电机的初始旋转方向,SW4=off时,为正方向旋转;SW4=on时,为反方向旋转。
2. 细分设置
步数/转 | SW5 | SW6 | SW7 | SW8 | 细分说明 |
400 | on | on | on | on | 当SW5、SW6、SW7、SW8都为off状态时,用户可通过PC机软件设置200-40000的任意细分值,分辨率为1。 |
800 | off | on | on | on | |
1600 | on | off | on | on | |
3200 | off | off | on | on | |
6400 | on | on | off | on | |
12800 | off | on | off | on | |
25600 | on | off | off | on | |
51200 | off | off | off | on | |
1000 | on | on | on | off | |
2000 | off | on | on | off | |
4000 | on | off | on | off | |
5000 | off | off | on | off | |
8000 | on | on | off | off | |
10000 | off | on | off | off | |
20000 | on | off | off | off | |
40000 | off | off | off | off |
3. 工作模式设置
SW9 | SW10 | 工作模式选择 | 备注 |
off | off | 脉冲+方向 | 当SW9、SW10都为off状态时,用户可通过PC机软件自行设置工作模式。 |
on | off | 脉冲+方向带平滑处理 | |
off | on | 双脉冲 | |
on | on | 自发脉冲 |
▶注意:修改后需重新上电才能生效。
五、供电电源选择
电源电压在规定范围之内都可以正常工作,HS86驱动器可采用变压器供电,建议变压器的交流输出电压不超过其规定的最大电压。HS86驱动器也可以采用非稳压型直流电源供电,但注意应使整流后的电压纹波峰值不超过其规定的最大电压。建议用户使用低于最大电压的直流电压供电,避免电网波动超过驱动器的工作电压范围。
如果使用稳压型开关电源供电,应注意开关电源的输出电流范围需设成最大。
▶注意:
1)接线时要注意电源接口的位置,切勿接到电机端口上,接好后最好再次确认是否接正确;
2)最好用非稳压型电源;
3)采用非稳压型电源时,电源电流输出能力应大于驱动器设定电流的60%即可;
4)采用稳压型开关电源时,电源的输出电流应大于或等于驱动器的工作电流;
5)为降低成本,两三个驱动器可共用一个电源,但应保证电源功率足够大。
六、保护功能
1. 短路保护
当发生相间短路、驱动器内部过流时,驱动器红灯闪烁1次,且以3秒为周期反复闪烁。此时,必须排除故障,重新上电复位。
当输入电压高于AC80V时,驱动器红灯闪烁2次,且以3秒为周期反复闪烁。此时,必须排除故障,重新上电复位。
当输入电压低于AC20V时,驱动器红灯闪烁3次,且以3秒为周期反复闪烁。此时,必须排除故障,重新上电复位。
当上电初始,电机缺相时,驱动器红灯闪烁5次,且以3秒为周期反复闪烁。此时,必须排除故障,重新上电复位。
当发生超差报警时,驱动器的红灯将保持常亮或快速频闪的状态。此时,可通过ENA端清除报警或重新上电复位。
HS系列两相闭环步进电机驱动器规格参数及电机选型表:
| 产品型号 | 输出峰值电流 (A) | 供电电压 (V) | 控制模式 | 尺寸 (mm) | 电机绕组接口 | 编码器接线 | 匹配的电机机型 |
| HS1-42 | 自适应 | AC(20~50)/DC(24~70) | 脉冲模式 | 116*69*26.5 | 四线端子 | 六线端子 | 28/35/42 |
| HS1-57 | 自适应 | AC(20~50)/DC(24~70) | 脉冲模式 | 116*69*26.5 | 四线端子 | 六线端子 | 57/60/86 |
| HS86HV | 自适应 | AC(20~80)/DC(24~110) | 脉冲模式 | 119*76*34 | 四线端子 | 六线端子 | 57/60/86 |
与HS86闭环步进驱动器匹配的电机型号:
| GR57HS56-3M | GR57HS80-3M | GR57HS80-30-3M |
| GR60HS86-3M | GR60HS86-30-3M | |
| GR86HS80-3M | GR86HS118-38 | GRHS86156-3M |