
GR57HS115闭环步进电机规格参数表:
步距角 | 1.8° |
步距角精度 | ±0.09°(空载、整步) |
温升 | MAX 85K |
使用环境 | 温度:-10~+50℃;湿度:85% MAX |
绝缘等级 | B |
绝缘电阻 | MIN 100 MΩ,500 V DC |
耐电压 | 500 VAC,1 min |
径向跳动 | 0.025 mm MAX (负载5N) |
轴向跳动 | 0.075 mm MAX (负载10N) |
径向最大负载 | 75N(距离法兰面10mm处) |
轴向最大负载 | 电机自重 |
闭环步进电机规格参数及驱动器选型表:
42机座
| 产品型号 | 电机长度 (mm) | 电机轴径 (mm) | 额定电流 (A) | 保持力矩 (N.m) | 转子惯量 (g.cm²) | 编码器类型 | 匹配驱动器 |
| GR42HS48-3M | 48 | 5 | 2.0 | 0.6 | 60 | 1000 | HS1-42 |
| GR42HS60-3M | 60 | 5 | 2.0 | 0.8 | 86 | 1000 | HS1-42 |
57机座
| 产品型号 | 电机长度 (mm) | 电机轴径 (mm) | 额定电流 (A) | 保持力矩 (N.m) | 转子惯量 (g.cm²) | 编码器类型 | 匹配驱动器 |
| GR57HS56-3M | 56 | 8 | 4.0 | 1.3 | 280 | 1000 | HS1-57 |
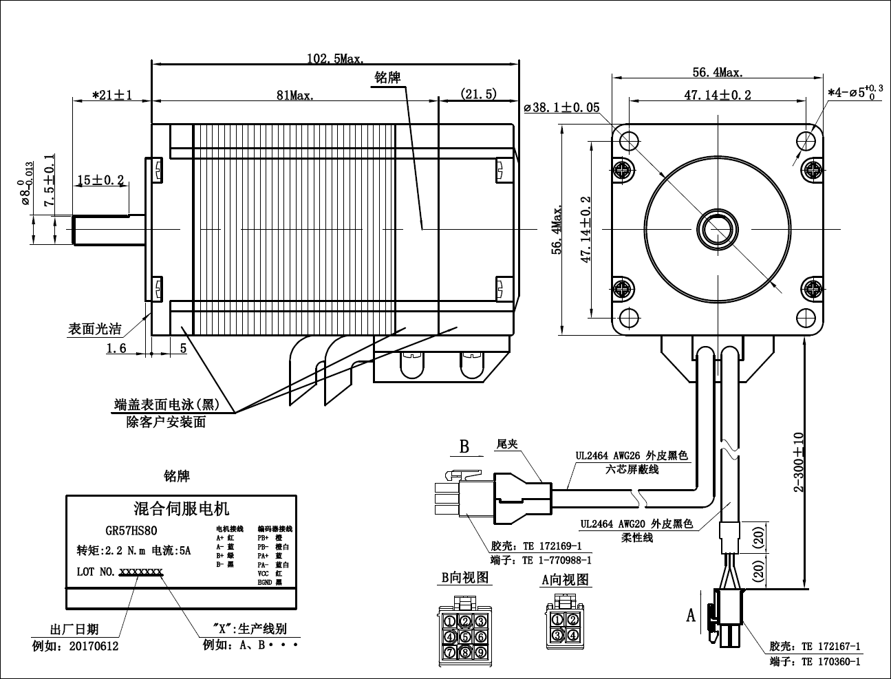
| GR57HS80-3M | 80 | 8 | 5.0 | 2.4 | 350 | 1000 | HS1-57 |
| GR57HS86-3M | 86 | 8 | 5.0 | 3.0 | 380 | 1000 | HS1-57 |
60机座
| 产品型号 | 电机长度 (mm) | 电机轴径 (mm) | 额定电流 (A) | 保持力矩 (N.m) | 转子惯量 (g.cm²) | 编码器类型 | 匹配驱动器 |
| GR60HS86-3M | 86 | 8 | 5.0 | 3.0 | 420 | 1000 | HS1-57 |
| GR60HS86-30-3M | 86 | 8 | 5.0 | 3.0 | 420 | 1000 | HS1-57 |
86机座
| 产品型号 | 电机长度 (mm) | 电机轴径 (mm) | 额定电流 (A) | 保持力矩 (N.m) | 转子惯量 (g.cm²) | 编码器类型 | 匹配驱动器 |
| GR86HS80-3M | 80 | 14 | 6.0 | 4.5 | 1800 | 1000 | HS1-57 |
| GR86HS118-3M | 118 | 14 | 6.0 | 8.5 | 2700 | 1000 | HS86HV |
| GR86HS156-3M | 156 | 14 | 6.0 | 12.0 | 4000 | 1000 | HS86HV |


闭环步进电机规格参数及驱动器选型表:
42机座
| 产品型号 | 电机长度 (mm) | 电机轴径 (mm) | 额定电流 (A) | 保持力矩 (N.m) | 转子惯量 (g.cm²) | 编码器类型 | 匹配驱动器 |
| GR42HS48-3M | 48 | 5 | 2.0 | 0.6 | 60 | 1000 | HS1-42 |
| GR42HS60-3M | 60 | 5 | 2.0 | 0.8 | 86 | 1000 | HS1-42 |
57机座
| 产品型号 | 电机长度 (mm) | 电机轴径 (mm) | 额定电流 (A) | 保持力矩 (N.m) | 转子惯量 (g.cm²) | 编码器类型 | 匹配驱动器 |
| GR57HS56-3M | 56 | 8 | 4.0 | 1.3 | 280 | 1000 | HS1-57 |
| GR57HS80-3M | 80 | 8 | 5.0 | 2.4 | 350 | 1000 | HS1-57 |
| GR57HS86-3M | 86 | 8 | 5.0 | 3.0 | 380 | 1000 | HS1-57 |
60机座
| 产品型号 | 电机长度 (mm) | 电机轴径 (mm) | 额定电流 (A) | 保持力矩 (N.m) | 转子惯量 (g.cm²) | 编码器类型 | 匹配驱动器 |
| GR60HS86-3M | 86 | 8 | 5.0 | 3.0 | 420 | 1000 | HS1-57 |
| GR60HS86-30-3M | 86 | 8 | 5.0 | 3.0 | 420 | 1000 | HS1-57 |
86机座
| 产品型号 | 电机长度 (mm) | 电机轴径 (mm) | 额定电流 (A) | 保持力矩 (N.m) | 转子惯量 (g.cm²) | 编码器类型 | 匹配驱动器 |
| GR86HS80-3M | 80 | 14 | 6.0 | 4.5 | 1800 | 1000 | HS1-57 |
| GR86HS118-3M | 118 | 14 | 6.0 | 8.5 | 2700 | 1000 | HS86HV |
| GR86HS156-3M | 156 | 14 | 6.0 | 12.0 | 4000 | 1000 | HS86HV |

暂无相关文件