0755-23206995 原图标 中文 EN
微信 WeChat WhatsApp WhatsApp 产品选型 产品选型 意见反馈 意见反馈

请您留言

步进电机产品

产品中心

IRS57EM-56

您所在的位置:首页 > 产品中心 > RS485总线闭环一体机 > IRS57EM-56
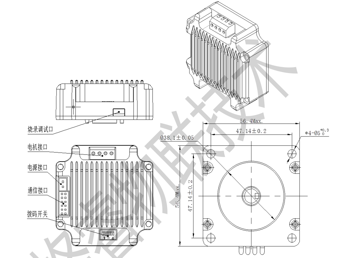
IRS57EM-56

IRS57EM-56

485总线型开闭环步进驱动器是最新推出的带串口调试功能的数字式混合步进伺服驱动器,集成了MODBUS-RTU标准协议规范,通讯网口采用标准的RJ45接口,用户可通过上位机调试软件设置细分、电流、速度、工作模式等多种参数,极大地丰富了产品的实用功能,能够满足大多数场合的应用需要。 485总线型开闭环步进驱动器采用类伺服的控制原理,兼容了开环步进和伺服系统的双重优点,采用最新32位DSP控制技术,极大地提升了步进系统的性能。中低速都具有极佳的平稳性和超低噪声,高速力矩也得到极大提升,扩展了步进电机的速度应用范围。平滑、精确的纯正弦电流矢量控制技术有效的减小了电机发热,且其兼容性强、性价比高,能够满足绝大多数场合的应用。

智能一体式数字步进电机驱动器一体机,采用RS485通讯方式,集成简便。

1、可以部分替代 PLC 或脉冲模块,减少 PLC 的脉冲输出点数,应用简单,低成本化。

2、自带丰富的诊断功能与输入输出信号,可一机多用。

3、可与外部信号进行联动,带来更多扩展可能。

4、减少空间、减少接线,节省成本和空间。

通讯基本参数

名称

描述

备注

硬件接口

RS485

不支持RS232

通讯类型

异步半双工

主从设备间通信

波特率

9600(默认)

可通过拨码或上位机设定

通讯协议

MODBUS-RTU

-

功能码

0x03:读单个或多个数据

0x06:写单个数据

0x10:写多个数据

-

数据字符构成

起始位:1位  数据位:8

校验位:无(默认)//偶  停止位:1(默认)/2

通信数据格式

校验方式

CRC16

低位在前,高位在后

设备数量

31(默认)

更高可设定

 

 

 

485总线单条报文通信速率:

波特率

开始接收至发送完成时间T1ms

115200

3.49

38400

6.30

19200

10.46

9600

20.32

连续多轴发送报文时, 报文间会有一个 PLC 处理等待时间T2, 该值因主站和波特率而不同。

闭环485总线脉冲集成式一体机IRS28EM-32自适应DC(12~40)2848520
IRS28EM-42自适应DC(12~40)2858520
IRS28EM-52自适应DC(12~40)2868520
IRS35EM-36自适应DC(12~40)3556524
IRS35EM-56自适应DC(12~40)3576524
IRS42EM-40自适应DC(12~40)4262524
IRS42EM-48自适应DC(12~40)4270524
IRS42EM-60自适应DC(12~40)4282524
IRS57EM-56自适应DC(24~48)5774821
IRS57EM-80自适应DC(24~48)5798821
IRS60EM-68自适应DC(24~48)6086821
IRS60EM-86自适应DC(24~48)60104821


  • 文件名
  • 格式
  • 大小
  • 操作
(*)号为必填
*
*
*
*
*
*
*
*

我已阅读并同意《隐私保护》

(*)号为必填
*
*
*
*
*
*

我已阅读并同意《隐私保护》

邮箱登录手机登录
手机登录邮箱登录
邮箱找回密码
修改个人密码
密码修改已成功,请重新登录!
0.205571s