
步进电机是一种直接将电脉冲转化为角度位置的机械装置,角度的多少取决于脉冲的数量。步进驱动器采用最新的32位ARM处理器进行控制,此数字驱动器外设细分、电流、辅助功能拨码,用户可根据需要自由设置。与其他配套的步进电机驱动装置共同组成了一套控制简单,而又低成本的开环系统。
两相开环步进电机系列型号及参数:
28机座法兰
| 产品型号 | 电机长度 (mm) | 电机轴径 (mm) | 电机轴长 (mm) | 额定电流 (A) | 保持力矩 (N.m) | 转子惯量 (g.cm²) | 相数 | 引出线 | 匹配驱动器 |
| GR28HB30 | 30 | 5 | 24 | 0.7 | 0.06 | 8 | 2 | 4 | DM422 |
| GR28HB50 | 50 | 5 | 24 | 0.67 | 0.1 | 18 | 2 | 4 | DM422 |
35机座法兰
| 产品型号 | 电机长度 (mm) | 电机轴径 (mm) | 电机轴长 (mm) | 额定电流 (A) | 保持力矩 (N.m) | 转子惯量 (g.cm²) | 相数 | 引出线 | 匹配驱动器 |
| GR35HB33 | 33 | 5 | 21 | 0.8 | 0.11 | 14 | 2 | 4 | DM422 |
| GR35H51 | 51 | 5 | 21 | 1.2 | 0.35 | 23 | 2 | 4 | DM422 |
42机座法兰
| 产品型号 | 电机长度 (mm) | 电机轴径 (mm) | 电机轴长 (mm) | 额定电流 (A) | 保持力矩 (N.m) | 转子惯量 (g.cm²) | 相数 | 引出线 | 匹配驱动器 |
| GR42HB40 | 40 | 5 | 24 | 0.8 | 0.4 | 57 | 2 | 4 | DM422 |
| GR42HB48 | 48 | 5 | 24 | 2.5 | 0.48 | 82 | 2 | 4 | DM422 |
| GR42HB60 | 60 | 5 | 24 | 1.7 | 0.7 | 117 | 2 | 4 | DM542 |
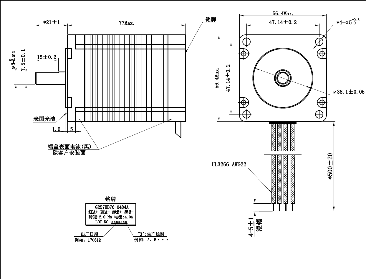
57机座法兰
| 产品型号 | 电机长度 (mm) | 电机轴径 (mm) | 电机轴长 (mm) | 额定电流 (A) | 保持力矩 (N.m) | 转子惯量 (g.cm²) | 相数 | 引出线 | 匹配驱动器 |
| GR57HB56 | 56 | 8 | 21 | 3.0 | 1.2 | 300 | 2 | 4 | DM542 |
| GR57HB76 | 76 | 8 | 21 | 5.0 | 2.3 | 480 | 2 | 4 | DM542 |
| GR57HB80 | 80 | 8 | 21 | 5.0 | 2.4 | 520 | 2 | 4 | DM542 |
| GR57HB80-30 | 80 | 8 | 21 | 5.0 | 2.4 | 520 | 2 | 4 | DM542 |
| GR57HB100 | 100 | 8 | 30 | 5.0 | 2.8 | 700 | 2 | 4 | DM542 |
| GR57HB112 | 112 | 8 | 30 | 5.0 | 3.0 | 780 | 2 | 4 | DM542 |
60机座法兰
| 产品型号 | 电机长度 (mm) | 电机轴径 (mm) | 电机轴长 (mm) | 额定电流 (A) | 保持力矩 (N.m) | 转子惯量 (g.cm²) | 相数 | 引出线 | 匹配驱动器 |
| GR60HB86 | 86 | 8 | 21 | 5.0 | 3.0 | 900 | 2 | 4 | DM542 |
| GR60HB86-30 | 86 | 8 | 30 | 5.0 | 3.0 | 950 | 2 | 4 | DM542 |
86机座法兰
| 产品型号 | 电机长度 (mm) | 电机轴径 (mm) | 电机轴长 (mm) | 额定电流 (A) | 保持力矩 (N.m) | 转子惯量 (g.cm²) | 相数 | 引出线 | 匹配驱动器 |
| GR86HB80 | 80 | 14 | 32 | 6.0 | 4.5 | 1800 | 2 | 4 | DM860 |
| GR86HB118 | 118 | 14 | 32 | 6.0 | 8.5 | 2700 | 2 | 4 | DM860 |
| GR86HB156 | 156 | 14 | 32 | 6.0 | 12.0 | 4000 | 2 | 4 | DM860 |


There are currently no relevant documents available
